Your cart is currently empty!
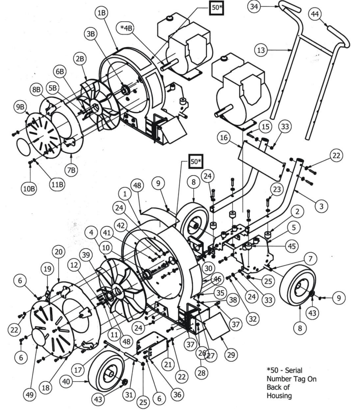
Walk-Behind HO Components
Part Breakdown
Our LandShark Walk-Behind blower models are assembled similarly with many common components. The part list below shows all items for this model and all common items for our Classic model.


Parts List
| Locator | Item Picture | Quantity | Part Number | Description | Standard/ Option |
|---|---|---|---|---|---|
| 1* | 1 | 1100-062 | Housing, 17 in | Standard | |
| 2 | 4 | 1100-044 | Rubber Vib Mount | Standard | |
| 3 | 2 | 1100-061 | Handle, Lower Tube | Standard | |
| 4* | 1 | 1100-007 | Impeller, 17in, Aluminum | Standard | |
| 4A | 1 | 12830 | Impeller, 17 in, Steel | Standard | |
| 1 | 12829 | Bolt, Engine, HO | Option | ||
| 1 | 12703 | Fab, Washer, HO | Option | ||
| 5 | 2 | 1100-045 | Motor Mount Base | Standard | |
| 6 | 16 | 11142/ 1100-075 | Bolt, 5/16-18 x 3/4 | Standard | |
| 7 | 1 | 1100-051 | Axle | Standard | |
| 8 | 2 | 1100-049FF | Wheel Assy, Rear | Standard | |
| 9 | 2 | 1100-050 | Retaining Ring | Standard | |
| 10* | 1 | 1100-006 | Bushing, Taper Lock | Standard | |
| 11 | 3 | 1100-009-SH1 | Bolt, 1/4-20 x 1-3/8 G8 | Standard | |
| 12 | 1 | 1100-012 | Key Stock, 1/4 in | Standard | |
| 13 | 1 | 1100-038 | Handle Assy | Standard | |
| 14 | 12 | 1100-031 | Washer, 5/16 | Standard | |
| 15 | 4 | 1100-072 | Bolt, 5/16-18 x 1-3/4 | Standard | |
| 16 | 1 | 1100-033 | Handle Brace | Standard | |
| 17 | 1 | 1100-026 | Bolt, 3/8-16 x 1-3/4 | Standard | |
| 18* | 1 | 1100-04A | Intake Guard | Standard | |
| 19 | 6 | 1100-003 | Standoff | Standard | |
| 20* | 1 | 1100-04B | Intake Ring | Standard | |
| 21 | 2 | 1100-020 | Bolt, 1/4-20 x 3/4 | Standard | |
| 22 | 12 | 1100-073 | Washer, 1/4 | Standard | |
| 23 | 4 | 1100-083 | Bolt, 3/8-16 x 1-3/4 | Standard | |
| 24 | 4 | 1100-043 | Washer, 3/8 | Standard | |
| 25 | 5 | 1100-047 | Nut, Flange, 3/8 | Standard | |
| 26 | 1 | 1100-022 | Front Discharge Assembly | Standard | |
| 27 | 1 | 1100-021 | Spring | Standard | |
| 28 | 2 | 1100-019 | Nut, Flange, 1/4 | Standard | |
| 29* | 1 | 1100-018 | Discharge Flap | Standard | |
| 30* | 1 | 1100-058 | Engine Spacer | Standard | |
| 31 | 1 | 1100-056 | Spanner Bushing | Standard | |
| 32 | 4 | 11815 | Bolt, 5/16/-18×1 | Standard | |
| 33 | 8 | 11905 | Nut, Nylon 5/16 | Standard | |
| 34 | 2 | 1100-037 | Handle Grip, Foam | Standard | |
| 35 | 1 | 1100-014 | Screw, Drill & Tap | Standard | |
| 36 | 1 | 1100-027 | Front Wheel Bracket | Standard | |
| 37 | 2 | 1100-016 | Screw, Thumb | Stnadard | |
| 38 | 2 | 11900 | Washer, 1/4 | Standard | |
| 39* | 1 | 1100-078 | Impeller Ring | Option | |
| 40 | 1 | 1100-085FF | Front Wheel Assy | Standard | |
| 41** | 4 | 11916 | Bolt 5/16-24-1 | Standard | |
| 42 | 4 | 11904 | Washer, Lock, 5/16 | Standard | |
| 43 | 6 | 11493 | Bearing, Unground, 5/8 | Part of wheel assy | |
| 44 | 2 | 1100-090 | Plug, Handle | Stndard | |
| 45* | 4 | 1100-057 | Engine Spacer | Standard | |
| 46 | 1 | 1100-074 | Warning Label | Standard | |
| 47 | 1 | 1100-087 | Label, Rectangle | Standard | |
| 48 | 3 | 1100-006-SH2 | Washer | Standard | |
| 49 | 1 | 1100-086 | Label, Round | Standard | |
| *1 **2 ***3 |
