Your cart is currently empty!
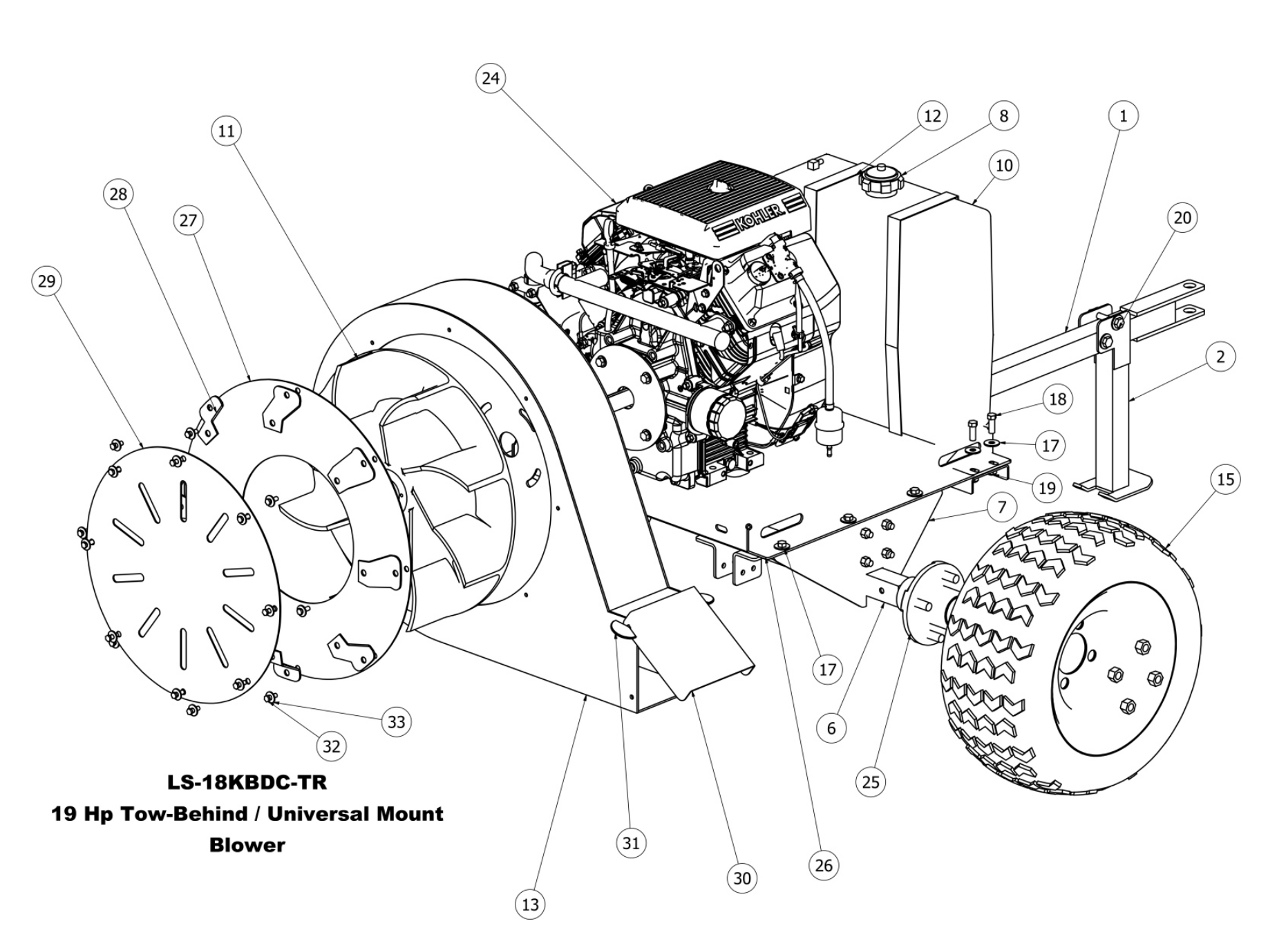
Tow-Behind KBDC Blower Components
Part Breakdown
This Blower has the ability to be mounted on the tailer shown below or deck mounted.


Parts List
| Locator | Item Picture | Quantity | Part Number | Description | Standard/ Option |
|---|---|---|---|---|---|
| 1 | 1 | 11448 | Tongue Assy | Standard | |
| 2 | 1 | 11219 | Tongue Jack | Standard | |
| 6 | 1 | 11449 | Axle Assy | Standard | |
| 7 | 1 | 11204 | Axle Mount, Right | Standard | |
| 8 | 1 | 11244 | Fuel Tank Cap | Standard | |
| 9 | 1 | 11205 | Axle Mount, Left | Standard | |
| 10 | 1 | 11246 | Fuel Tank | Standard | |
| 11 | 1 | 11431 | Impeller, 18in Alum | Standard | |
| Not Shown | 1 | 11440 | Bushing, Taper | Standard | |
| 12 | 2 | 11267 | Fuel Tank Strap | Standard | |
| 13 | 1 | 11458 | Housing | Standard | |
| 15 | 2 | 11654 | Wheel Assy | Standard | |
| 17 | 29 | 11155 | Washer, 3/8 | Standard | |
| 18 | 18 | 11376 | Bolt, 3/8-16 x 1 | Standard | |
| 19 | 22 | 11150 | Nut, Lock, 3/8 | Standard | |
| 20 | 2 | 11524 | Bolt, 3/8-16 x 2-1/2 | Standard | |
| 24 | 1 | 12229 | Engine, 19Hp, Rehlko | Standard | |
| 25 | 2 | 12037 | Hub Assy, 4 Bolt | Standard | |
| 26 | 1 | 11450 | Mount Base | Standard | |
| 27 | 1 | 11438 | Intake Ring | Standard | |
| 28 | 8 | 1100-003 | Standoff | Standard | |
| 29 | 1 | 11437 | Intake Guard | Standard | |
| 30 | 1 | 11292 | Discharge Flap | Standard | |
| 31 | 2 | 11994 | Thumb Screw | Standard | |
| 32 | 16 | 11142 | Bolt, 5/16-18 x 3/4 | Standard | |
| 33 | 16 | 11845 | Washer, 1/4 USS | Standard | |
| Not Shown | 4 | 11530 | Bolt, 5/16-18 x 1-1/2 | Standard | |
| Not Shown | 4 | 11532 | Nut, Lock, 5/16 | Standard | |
| Not Shown | 1 | 11224 | Rear Jack Assembly | Standard | |
| Not Shown | 1 | 12758 | Hitch Pin | Standard |
